QYL型回油過濾器
-
品牌 :FeiFLTER(菲利特)
-
型號:
-
材質:
-
過濾精度:
-
單臺流量:
-
公稱壓力:
-
應用領域:
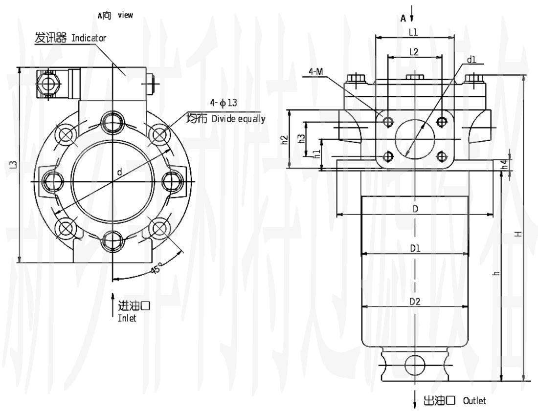
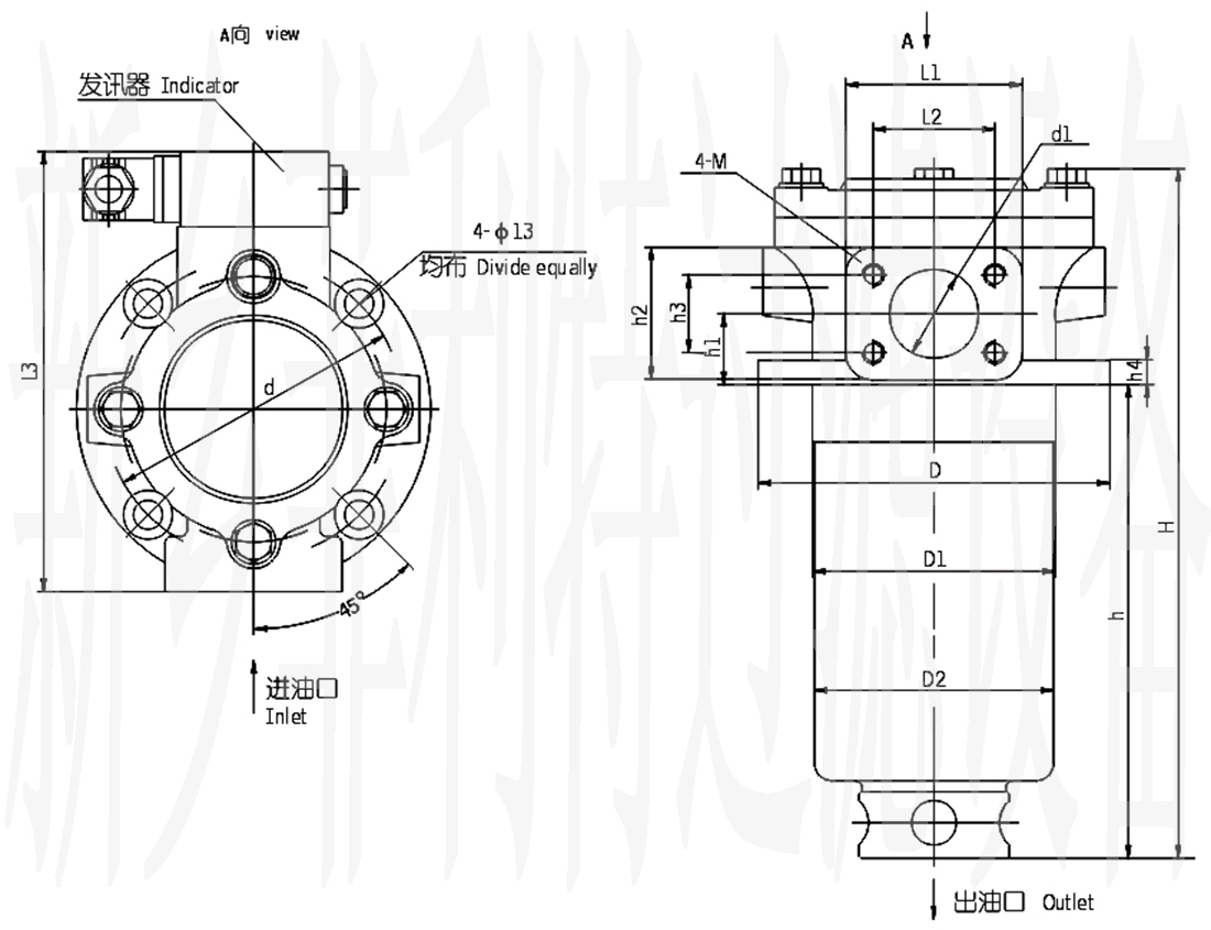
QYL型回油過濾器 QYL RETURN FILTER SERIES (一)、型號說明 (二)、技術參數 (三)、安裝尺寸 QYL63-100* QYL160-400 x *F法蘭連接 QYL160-250 x *螺紋連接
- 成交量:0
好評率:5星










2643127547
